Beskrivning
Rullställ på lager
– Rullställ plan modell B-b 500& 650.
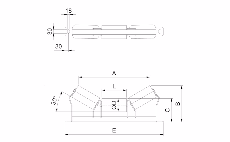
Plana bärrullställ passar bär- och pålastningsrullar med ø89, ø108 och ø133 mm som har 14 mm nyckelviddsfattning. Bärrullställen är varmgalvaniserade och lätt framåtlutande för god bandstyrning. De har en trågning på 30°.
I måttabellen det grå fältet nedan anges A, B och C-måtten med ø108 mm rullar monterade.
Kan även fås med trågning 20° eller 45° på förfrågan. Gå in på artikeln “Plana rullställ – måttanpassat” och fyll i måtten till din transportör så återkommer vi med en offert. Du kan också skriva ut en pdf-mall här, fylla i den och skicka till oss på mail.




